產品展示
您現在的位置: 首頁--產品展示
產品描述
|
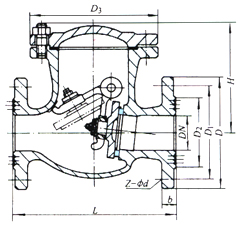
H44H旋啟式止回閥是能自動阻止流體倒流的閥門。止回閥的閥瓣在流體壓力作用下開啟,流體從進口側流向出口側。當進口側壓力低于出口側時,閥瓣在流體壓差、本身重力等因素作用下自動關閉以防止流體倒流。 ![]() H44H型旋啟式止回閥外型尺寸和連接尺寸 Outling and connect measurement
| |||||||||||||||||||||||||||||||||||||||||||||||||||||||||||||||||||||||||||||||||||||||||||||||||||||||||||||||||||||||||||||||||||||||
其他相關產品
|
|
|
|
H44H旋啟式止回閥是能自動阻止流體倒流的閥門。止回閥的閥瓣在流體壓力作用下開啟,流體從進口側流向出口側。當進口側壓力低于出口側時,閥瓣在流體壓差、本身重力等因素作用下自動關閉以防止流體倒流。 ![]() H44H型旋啟式止回閥外型尺寸和連接尺寸 Outling and connect measurement
| |||||||||||||||||||||||||||||||||||||||||||||||||||||||||||||||||||||||||||||||||||||||||||||||||||||||||||||||||||||||||||||||||||||||
|
|
|